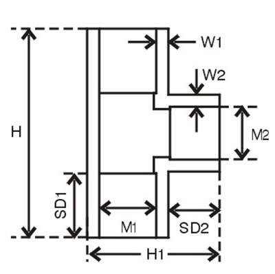
Dimensions of Tee Reducer
| Size (mm) |
Size (Inch) |
H | H1 | W1 | W2 | SD1 | SD2 | Material Code | Standard Pkg. |
| 20 x 15 | ¾” x ½” | 79.38 | 62.30 | 3.91 | 3.73 | 25.40 | 22.22 | 4734 | 68 |
| 25 x 15 | 1” x ½” | 92.10 | 67.40 | 4.55 | 3.73 | 28.58 | 22.22 | 4735 | 110 |
| 25 x 20 | 1” x ¾” | 92.10 | 67.40 | 4.55 | 3.91 | 28.58 | 25.40 | 4736 | 99 |
| 32 x 15 | 1¼” x ½” | 107.95 | 74.05 | 4.85 | 3.73 | 31.75 | 22.22 | 4737 | 24 |
| 32 x 20 | 1¼” x ¾” | 107.95 | 78.05 | 4.85 | 3.91 | 31.75 | 25.40 | 4738 | 24 |
| 32 x 25 | 1¼” x 1” | 107.95 | 84.05 | 4.85 | 4.55 | 31.75 | 28.58 | 4739 | 24 |
| 40 x 15 | 1½” x ½” | 120.65 | 79.40 | 5.08 | 3.73 | 34.93 | 22.22 | 4740 | 18 |
| 40 x 20 | 1½” x ¾” | 120.65 | 84.40 | 5.08 | 3.91 | 34.93 | 25.40 | 4741 | 18 |
| 40 x 25 | 1½” x 1” | 120.65 | 89.40 | 5.08 | 4.55 | 34.93 | 28.58 | 4742 | 18 |
| 40 x 32 | 1½” x 1¼” | 120.65 | 94.50 | 5.08 | 4.85 | 34.93 | 31.75 | 4743 | 15 |
| 50 x 15 | 2” x ½” | 139.70 | 94.00 | 5.54 | 3.73 | 38.10 | 22.22 | 4744 | 9 |
| 50 x 20 | 2” x ¾” | 139.70 | 96.00 | 5.54 | 3.91 | 38.10 | 25.40 | 4745 | 9 |
| 50 x 25 | 2” x 1” | 139.70 | 101.00 | 5.54 | 4.55 | 38.10 | 28.58 | 4746 | 9 |
| 50 x 32 | 2” x 1¼” | 139.70 | 104.00 | 5.54 | 4.85 | 38.10 | 31.75 | 4747 | 9 |
| 50 x 40 | 2” x 1½” | 139.70 | 108.00 | 5.54 | 5.08 | 38.10 | 34.93 | 4748 | 9 |
| 65 x 15 | 2½” x ½” | 173.90 | 107.70 | 7.01 | 3.73 | 44.45 | 22.22 | 4749 | 14 |
| 65 x 20 | 2½” x ¾” | 173.90 | 108.50 | 7.01 | 3.91 | 44.45 | 25.40 | 4750 | 14 |
| 65 x 25 | 2½” x 1” | 173.90 | 112.30 | 7.01 | 4.55 | 44.45 | 28.58 | 4751 | 14 |
| 65 x 32 | 2½” x 1¼” | 173.90 | 118.70 | 7.01 | 4.85 | 44.45 | 31.75 | 4752 | 14 |
| 65 x 40 | 2½” x 1½” | 173.90 | 119.20 | 7.01 | 5.08 | 44.45 | 34.93 | 4753 | 14 |
| 65 x 50 | 2½” x 2” | 173.90 | 122.80 | 7.01 | 5.54 | 44.45 | 38.10 | 4754 | 14 |
| 80 x15 | 3” x ½” | 197.30 | 124.30 | 7.62 | 3.73 | 47.63 | 22.22 | 4755 | 9 |
| 80 x 20 | 3” x ¾” | 197.30 | 127.30 | 7.62 | 3.91 | 47.63 | 25.40 | 4756 | 9 |
| 80 x 25 | 3” x 1” | 197.30 | 130.30 | 7.62 | 4.55 | 47.63 | 28.58 | 4757 | 9 |
| 80 x 32 | 3” x 1¼” | 197.30 | 134.30 | 7.62 | 4.85 | 47.63 | 31.75 | 4758 | 9 |
| 80 x 40 | 3” x 1½” | 197.30 | 137.30 | 7.62 | 5.08 | 47.63 | 34.93 | 4759 | 9 |
| 80 x 50 | 3” x 2” | 197.30 | 142.30 | 7.62 | 5.54 | 47.63 | 38.10 | 4760 | 9 |
| 80 x 65 | 3” x 2½” | 197.30 | 147.20 | 7.62 | 7.01 | 47.63 | 44.45 | 4761 | 9 |
| 100 x 15 | 4” x ½” | 243.60 | 150.90 | 8.56 | 3.73 | 57.15 | 22.22 | 4762 | 6 |
| 100 x 20 | 4” x ¾” | 243.60 | 153.90 | 8.56 | 3.91 | 57.15 | 25.40 | 4763 | 5 |
| 100 x 25 | 4” x 1” | 243.60 | 157.00 | 8.56 | 4.55 | 57.15 | 28.58 | 4764 | 5 |
| 100 x 32 | 4” x 1¼” | 243.60 | 160.90 | 8.56 | 4.85 | 57.15 | 31.75 | 4765 | 5 |
| 100 x 40 | 4” x 1½” | 243.60 | 163.90 | 8.56 | 5.05 | 57.15 | 34.93 | 4766 | 5 |
| 100 x 50 | 4” x 2” | 243.60 | 166.90 | 8.56 | 5.54 | 57.15 | 38.10 | 4767 | 5 |
| 100 x 65 | 4” x 2½” | 243.60 | 173.40 | 8.56 | 7.01 | 57.15 | 44.45 | 4768 | 5 |
| 100 x 80 | 4” x 3” | 243.60 | 177.20 | 8.56 | 7.62 | 57.15 | 47.63 | 4769 | 4 |
| * All dimensions in "MM" |